

空調離心風機是空調系統中不可或缺的關鍵組件之一。它通過離心力將空氣抽入風機,并通過旋轉葉輪將空氣加速,然后將其送入空調系統中。其獨特的設計結構使其能夠以高效、節能的方式提供穩定的空氣流動。該產品具有多種應用場景,如商業建筑、工業設施、醫療機構、住宅等。除了被用于冷卻、加熱和通風系統中為室內提供舒適的環境外,還廣泛用于空氣凈化機組、冷暖風機及工礦企業上。本類風機可根據需求提供不同的風量和靜壓,以適應各種類型的空調系統要求。
以制冷型空調風機為例,從壓縮機出來的高溫高壓制冷蒸汽通過高壓軟管進入冷凝器,由于室外溫度低于進入冷凝器的制冷劑溫度,借助于冷凝風扇的作用,在冷凝器中流動的制冷劑的大部分熱量被室外空氣帶走,從而高溫高壓氣體被冷凝成高溫高壓的液體。這種高溫高壓液體流過節流膨脹閥時,由于節流作用,體積突然變大而降壓,變成低壓低溫的霧狀液體進入蒸發器,并在定壓下汽化,由于制冷劑在管內汽化時的溫度低于蒸發器管外的車內循環風,故它能吸收管外空氣中的熱量,從而使流經蒸發器的空氣溫度降低,從而產生制冷降溫效果,汽化了的制冷蒸汽被壓縮機抽吸壓縮,變成高溫高壓氣體,完成一個制冷系統的循環。

由于空調類型的多種多樣,并不是所有的都會采用離心風機,有些會使用軸流風機。不過與軸流風機相比,空調離心風機主要有以下優勢:
1.靜壓能力更強:風機能夠產生更大的正壓或負壓,適用于需要長距離送風或克服管道阻力的應用。
2.適用范圍更廣:可根據需要提供不同的風量和靜壓,能用于各種空調系統,適應多種應用場景。
3.空間利用率高:在相同風量下,其體積相對較小,更適合在機房、地下室等空間有限的環境中使用。
4.噪音控制出色:其獨特的設計結構能夠減少噪音和振動的產生,從而提供更為安靜的工作環境。

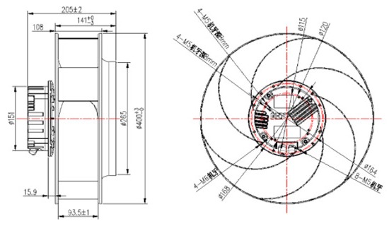
以型號YWFB4E500的風機為例,其主要產品參數如下:
類型:后傾式離心風機
品牌:獅球LIONBALL
葉輪:增強塑料
轉子:鍍鋅鋼板/不銹鋼板
防護等級:IP44/IP54
絕緣等級:B/F
認證:CCC CE
安裝方式:任意
工作溫度:-20~+50℃
控制方式:0-10V/PWM/RS-485
電子保護:過壓/堵轉
額定電壓:230V
工作頻率:50Hz
輸入功率:1560W
電機轉速:1340RPM
最大風量:7680M3/H
噪音:82dB

空調離心風機主要由室外機和室內機這兩個部分組成。其中室外機主要負責的是制冷或制熱,而室內機則是將冷氣或熱氣輸送到室內,并通過管道將室內的熱空氣或冷空氣搬運到室外,從而達到降溫或升溫的效果。

1.在安裝空調離心風機前,一定要先檢查風機的完整性,比如葉輪、機殼、進風口、支架、電機、皮帶輪、聯軸器、消音器、傳動件(軸承)等元件是否齊全。還有就是注意檢查這些元件是否又損壞變形的現象,如果直接安裝這些損壞的元件,將會給風機的質量帶來巨大的影響。
2.在安裝的時候,為了防止安全事故的發生,注意風機的一些裝置是必須要安裝的,比如風機底座有直接安裝在基礎上和安裝在減震裝置上兩種。
3.如果對安裝的過程不了解,較好先熟讀安裝說明書,如果還是不懂的話,就要請專業的安裝人員來了。

空調離心風機的市場價格因多種因素影響而有較大差異,如型號、規格、品牌、銷售渠道等。通常單臺價格在二三百元至一千元以上。其中較小型號、低風量、低靜壓、普通或低端品牌的風機價格較低,一般只賣幾百元左右一臺。而較大型號、高風量、高靜壓、知名品牌的風機價格可高達數千元一臺。注意實際價格可能會受到市場供需、地區差異和個別銷售商的具體定價等因素影響。購買時建議與專業供應商聯系,以獲得最新準確的報價。

獅球是一家專注于各種用途風機(如空調用離心式風機)與電機等產品的研發、制造和銷售的高新技術企業。擁有ISO9001質量管理體系認證和ISO14001環境管理體系認證。產品廣泛應用于通風、空調、制冷、醫療、新風、空氣凈化、新能源、汽車配件和家用電器等行業領域。“獅球”品牌在行業中享有較高知名度。公司主要產品通過了德國VDE、美國UL、歐洲CE和ROHS及中國CCC認證。與EMERSON(艾默生)和PANASONIC(松下)等世界知名企業有著緊密的合作關系。
 后傾式離心風機的磨損類型、原因及解決措施  2023-12-27
 后傾式離心風機的磨損類型、原因及解決措施  2023-12-27 離心風機運行前的調試步驟  2019-12-24
 離心風機運行前的調試步驟  2019-12-24 罩極電機的組成、特點及用途  2020-04-17
 罩極電機的組成、特點及用途  2020-04-17 離心風機、混流風機和軸流風機的區別  2023-05-29
 離心風機、混流風機和軸流風機的區別  2023-05-29 房車空調風機的安裝與拆卸實用技巧分享  2025-05-22
 房車空調風機的安裝與拆卸實用技巧分享  2025-05-22 直流離心風機  2024-12-27
 直流離心風機  2024-12-27 低噪聲離心風機的清洗要求和安裝注意事項  2018-07-13
 低噪聲離心風機的清洗要求和安裝注意事項  2018-07-13 離心風機風速不穩的原因及解決方法  2022-04-29
 離心風機風速不穩的原因及解決方法  2022-04-29 離心風機的選型、運行與維護  2022-03-01
 離心風機的選型、運行與維護  2022-03-01 離心風機噪音過高的解決方法(實例)  2015-04-21
 離心風機噪音過高的解決方法(實例)  2015-04-217×24小時服務熱線 0574-28825866