

冷凝機組風機是冷凝機組設備中的關鍵組件之一,其主要作用是負責將制冷劑在冷凝器中釋放的熱量排出去。冷凝機組由一臺或幾臺制冷壓縮機、離心風機、油分離器、冷凝器、過濾器、儲液器、電磁閥以及相關附件等部分組成。獅球自主設計研發生產的冷凝機組專用風機具有高效節能、運行可靠、結構緊湊、防水性能好、智能化程度高、保護功能完善等優勢,深受國內外新老客戶的歡迎。目前廣泛應用于賓館、飯店、醫療、農業、化工等各個行業領域。
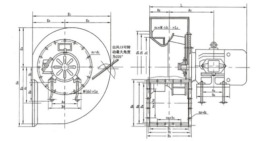
主要由風葉、外殼、進風口、支架、電機、皮帶輪、聯軸器、消音器、傳動件(軸承)等多個構件組成。電機是驅動整個風機運轉的關鍵部件。它通常由電源供電,使葉輪能夠旋轉產生氣流。風葉是冷凝機組風機中的旋轉部件,由多個葉片組成。它通過電機的驅動,將空氣吸入并加速,形成氣流。風葉的形狀和設計會影響到風機的風量和風壓。外殼是風機的外部保護結構,也是氣流的導向部件。它起到保護風機內部組件的作用,并且能夠引導氣流經過冷凝器,以實現散熱效果。此外,還有風扇保護罩、振動減震裝置、風機控制器等部件。這些部件能提供額外的功能和保護,確保風機的穩定運行和使用壽命。

當冷凝器中的制冷劑被壓縮機壓縮后,其溫度和壓力都會升高。制冷劑進入冷凝器后,通過傳熱的方式將熱量傳遞到冷卻介質(通常是空氣)中。這個過程需要將制冷劑中的熱量迅速散發,以確保制冷系統的正常運行。冷凝機組風機通過電機驅動葉輪旋轉,產生強大的氣流。當氣流經過冷凝器時,它會帶走制冷劑釋放的熱量,使其散發到周圍的空氣中。這樣,制冷劑的溫度會逐漸降低,從而使其能夠再次進入蒸發器,完成制冷循環。其中風機的轉速和風量可以通過控制電機的運行來實現,以滿足不同工況下的散熱需求。
型號:XYZ-1234
額定功率:500W
額定電壓:220V
額定電流:2.3A
額定轉速:1500r/min
風機直徑:300mm
風量:1000m3/h
噪音水平:60dB
工作溫度:-10℃~40℃
防護等級:IP54
材質:不銹鋼
安裝方式:法蘭固定
適用范圍:冷凝機組、冷藏設備等
注意:以上僅為舉例,實際以廠商提供的產品參數為準。
①鋪工裝板底盤組件
②安裝壓縮機
③管路配件焊接
④安裝冷凝器組件
⑤充氮氣來檢查是否漏氣
⑥抽真空,后注入氟氣來檢查漏洞
⑦安裝風機及其他組件
⑧接線
⑨進行性能測試

①冷凝機組風機的工作溫度為:-40℃~85℃,當溫度超過40℃時,理應安排排氣扇等降溫措施;
②注意對風機自身、散熱葉輪油污灰塵清理,從而保持風機具有良好的散熱性能。
③在正常使用約150小時后,需要對風機軸承補加黃油一次,并且保證加油到位,同時需要作好記錄。
④盡量每天都對風機進行檢查,及時發現問題并盡快做好處理。

冷凝機組風機的價格與風機類型、尺寸大小、材料品質、制造廠商、可選功能以及市場供求關系等多種因素有關。國內外市場上銷售的國產與進口品牌的產品價格差異較大。一般普通國產品牌的市場報價大多在100到300元/臺,當然大一點的廠商賣的貴點也有四五百元以上一臺的。而國外進口品牌的售價則普遍較高,一般單臺價格最低也要上千元以上,貴的甚至能達到幾千元。

獅球是一家擁有40多年冷凝機組風機設計、研發與制造經驗的老牌知名企業,現擁有近3萬平米生產廠房、300余名員工及各種生產與檢測設備。公司長期專注于各種風機、電機產品的研發生產,產品遠銷美國、歐洲及巴西、俄羅斯等各個新興工業國家,與EMERSON(艾默生)、PANASONIC(松下)等世界知名企業有長期合作,產品通過了德國VDE、美國UL、歐洲CE/ROHS及中國CCC認證。
上一篇:醫療離心機電機
下一篇:2015國內風機名牌
 EC離心風機的工作原理、安裝要求和應用領域  2024-10-15
 EC離心風機的工作原理、安裝要求和應用領域  2024-10-15 離心風機、混流風機和軸流風機的區別  2023-05-29
 離心風機、混流風機和軸流風機的區別  2023-05-29 離心風機葉片的調節方法  2018-12-29
 離心風機葉片的調節方法  2018-12-29 前傾式離心風機和后傾式離心風機的區別和選型  2023-05-31
 前傾式離心風機和后傾式離心風機的區別和選型  2023-05-31 貫流風機使用壽命和維護成本  2023-10-24
 貫流風機使用壽命和維護成本  2023-10-24 提高離心風機抽氣效率的方法  2022-11-10
 提高離心風機抽氣效率的方法  2022-11-10 常見的離心風機有哪些類型?  2015-09-09
 常見的離心風機有哪些類型?  2015-09-09 離心風機噪音過高的解決方法(實例)  2015-04-21
 離心風機噪音過高的解決方法(實例)  2015-04-21 離心風機值得選用的幾大理由  2021-07-21
 離心風機值得選用的幾大理由  2021-07-21 空調離心風機的原理和功能  2018-07-20
 空調離心風機的原理和功能  2018-07-207×24小時服務熱線 0574-28825866