單進風前傾式離心風機YWFF450
1.產品簡介
①技術參數:風輪直徑450mm,由4極和6極額定電壓為230/400V,頻率50Hz三相異步運轉電機組成。
②組成部件:高效外轉子交流電機、鍍鋅鋼板材質多翼前傾式離心葉輪、免維護深溝球滾珠軸承、靜電粉末噴塑轉子。
③技術特性:IP54或IP44防護等級,B級或F級絕緣等級,S1連續運作模式,可生產雙電壓電機,內置過載熱保護,美國UL和歐洲CE產品認證。
④產品特點:具有使用壽命長、免維護、高效率、低功耗,高經濟性,設計緊湊,節省空間,美觀,低壓啟動等特點。
⑤產品應用:適用于中央空調、新風系統、空氣凈化過濾設備、管道通風設備等,作為通風換氣的理想產品。
離心風機的分類、產品應用、風機結構、設計選用說明、風機型號說明、產品認證詳見:YWF系列外轉子離心風機概述。
單進風前傾式離心風機根據風機外形可分為蝸殼前傾式離心風機和常規前傾式離心風機兩種。蝸殼前傾式離心風機共有120mm、133mm、140mm、150mm、160mm、180mm等六種。常規前傾式離心風機有200mm、225mm、250mm、280mm、315mm、355mm、400mm、450mm等八種。
前一種風機主要有用鍍鋅鋼板或不銹鋼板制成的蝸殼殼體、過載熱保護外轉子電機、高效離心葉輪三部分組成。后一種由多翼前傾式離心葉輪和帶有過載熱保護外轉子的電機組成。前一種電機主要與各種通風柜、風機箱、抽油煙機、工業制冷系統、除塵機組等配套使用。后一種用于中央空調、新風系統、空氣凈化過濾設備、管道通風設備等。
獅球離心風機的分類、產品應用、風機結構、設計選用說明、風機型號說明、產品認證詳見:外轉子離心風機YWF系列產品概述
2.技術參數
| 型號 | 額定電壓 | 頻率 | 額定電流 | 輸入功率 | 轉速 | 最低可使用靜壓 | 風量 | 噪音 | 曲線 | 
| YWFF4D450 | Δ230/400Y | 50 | 13.9/8.2 | 5 | 1300 | 1000 | 6600 | 92 | ① | 
| YWFF6D450 | Δ230/400Y | 50 | 10.4/6.1 | 3.5 | 870 | 200 | 8100 | 82 | ② | 
| YWFF8D450 | Δ230/400Y | 50 | 7/4.1 | 1.4 | 700 | 150 | 6100 | 76 | ③ | 
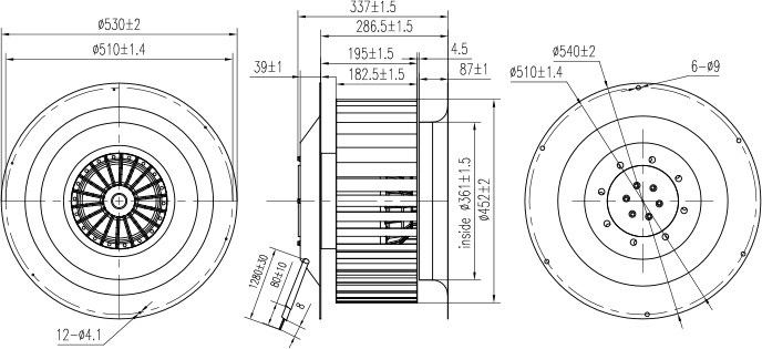
3.外形尺寸圖

4.風量風壓曲線圖



下一頁:后傾式離心風機YWFB133




 
  
 



