

后傾式離心風機YWFB355說明:
1. 性能參數:由4極單相電容運轉和三相異步運轉兩種電機組成,單相額定電壓為230V,三相額定電壓為380V,頻率50Hz,最小額定電流為0.50A,轉速可達到2800rpm。
2. 材料:高效外轉子交流電機、后傾式圓弧形鋁合金葉輪、免維護深溝球滾珠軸承、靜電粉末噴塑轉子
3. 技術特性:6塊葉片風輪,IP54或IP44防護等級,B級或F級絕緣等級,S1連續運行模式,可任意安裝,內置過載熱保護,美國UL和歐洲CE產品認證
4. 產品特點:具有使用壽命長、免維護、設計緊湊、外形設計美觀、節能高效等特點。
5. 產品應用:適用于對噪音要求嚴的環境及空調系統,如與工業制冷系統、新風系統、廚衛風機、消防風機、通信設備散熱器、小型冷凝機組、空氣凈化器、空氣過濾器、屋頂風機、工業設備散熱、冷風機組、模塊機組、空調天花機等設備配套使用。
離心風機的分類、產品應用、風機結構、設計選用說明、風機型號說明、產品認證詳見:YWF系列外轉子離心風機概述。
后傾式離心風機
后傾式離心風機由過載熱保護外轉子電機、高效后傾式圓弧形離心葉輪兩部分組成。葉輪全部采用模具化生產,經精密動平衡機器高速校驗,具有體積小,效率高,風量大,振動小,噪音低,性能優越,安裝調試方便等優點,是空調、凈化、冷凍行業較理想的配套產品。廣泛適用于賓館、飯店、學校、工廠等場所和民用、工業建筑的通風換氣,適用于對噪音要求嚴的環境及空調系統,如與工業制冷系統、廚衛風機、消防風機、通信設備散熱器、小型冷凝機組、空氣凈化器、空氣過濾器、屋頂風機、管道風機、冷風機組、模塊機組、空調天花機等設備配套使用。
1. 產品性能參數
|
型號 |
額定電壓 |
頻率 |
額定電流 |
輸入功率 |
轉速 |
最大 |
電容 |
噪音 |
曲線 |
|
YWFB4E355L |
230 |
50 |
0.82 |
180 |
1380 |
2190 |
6 |
68 |
① |
| YWFB4E355 |
230 |
50 |
0.95 |
220 |
1400 |
2500 |
8 |
69 |
② |
| YWFB4E355H |
230 |
50 |
1.0 |
225 |
1400 |
2950 |
8 |
69 |
③ |
| YWFB4D355H | 400Y | 50 | 0.52 | 225 | 1400 | 2950 | / | 69 |
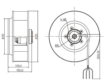
2.技術圖紙

3. 風量和靜壓曲線圖
