后傾式離心風機YWFB280
1.產品簡介
①性能參數:產品額定電壓有115V、120V、230V等三種,額定電流范圍在0.3~3A左右,輸入功率有78/102W,190及380W等,可提供最大達2000m3的風量,產生的噪音一般低于70dB(A)。
?、诮M成部件:高效外轉子交流電機、鍍鋅鋼板葉輪、免維護深溝球滾珠軸承、靜電粉末噴塑轉子
?、奂夹g特性:11塊葉片風輪,IP54或IP44防護等級,B級或F級絕緣等級,S1連續運作模式,可任意安裝,內置過載熱保護,美國UL和歐洲CE產品認證
?、墚a品特點:具有使用壽命長、免維護、高效率、低功耗,高經濟性,設計緊湊,節省空間,美觀,低壓啟動等特點。
?、莅惭b方式:標準安裝方式為軸與地面平行安裝或者轉子在下,也可以根據客戶需要轉子在上面。
?、蕻a品應用:適用于對噪音要求嚴的環境及空調系統,如與工業制冷系統、新風系統、廚衛風機、消防風機、通信設備散熱器、小型冷凝機組、空氣凈化器、空氣過濾器、屋頂風機、工業設備散熱、冷風機組、模塊機組、空調天花機等設備配套使用。
后傾式離心風機由過載熱保護外轉子電機、高效后傾式圓弧形離心葉輪兩部分組成。葉輪全部采用模具化生產,經精密動平衡機器高速校驗,具有體積小,效率高,風量大,振動小,噪音低,性能優越,安裝調試方便等優點,是空調、凈化、冷凍行業較理想的配套產品。廣泛適用于賓館、飯店、學校、工廠等場所和民用、工業建筑的通風換氣。
獅球離心風機的分類、產品應用、風機結構、設計選用說明、風機型號說明、產品認證詳見:外轉子離心風機YWF系列產品概述
2.技術參數
| 型號 | 額定電壓 | 頻率 | 額定電流 | 輸入功率 | 轉速 | 最大風量 | 電容 | 噪音 | 曲線 | 
| YWFB2E280 | 230 | 50 | 0.85 | 190 | 2450 | 1900 | 5 | 67 | ① | 
| YWFB2E280H | 120 | 60 | 3.1 | 380 | 3100 | 2050 | 30 | 85 | ② | 
| YWFB4E280 | 230 | 50/60 | 0.36/0.46 | 78/102 | 1420/1630 | 1400/1600 | 3 | 62/67 | ③④ | 
| 115 | 50/60 | 0.72/0.92 | 78/102 | 1420/1630 | 1400/1600 | 12 | 62/67 | 
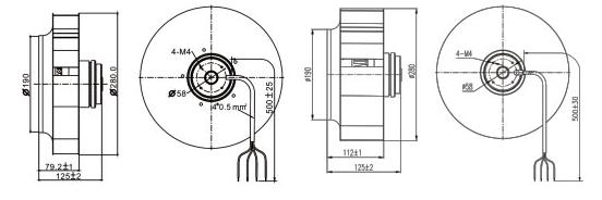
3.外形尺寸圖

4.風量風壓曲線圖

上一頁:后傾式離心風機YWFB250
下一頁:后傾式離心風機YWFB310




 
  
 



