

雙進風離心風機YWFD146
作為一款出風口直徑為146mm雙進風離心風機,該款產品轉速在950-2500RPM之間。最大風量可達到950立方米/小時,適用于工礦企業、賓館、大型商場等建筑設施的各種大小規格的空調箱,風機柜式空調機組、中央空調機組和各種凈化設備,具有通用性強、效率高、噪音低、風量大等特點。期待與更多的采購商和顧客合作。
離心風機的分類、產品應用、風機結構、設計選用說明、風機型號說明、產品認證詳見:YWF系列外轉子離心風機概述。
雙進風蝸殼離心風機是我公司吸收國內外先進技術研制開發生產的離心風機,由蝸型機殼、外轉子電機、多翼前向式離心葉輪三部分組成。殼體均采用鍍鋅鋼板或不銹鋼板,經機械化模具加工后電焊鏈接而成,結構牢固、合理緊湊。風量為510到2000立方米/小時,風輪直徑從133mm到180mm,共有4種型號。葉輪全部采用模具化生產,經精密動平衡機器高速校驗,具有體積小,效率高,風量大,振動小,噪音低,性能優越,安裝調試方便等優點,是空調、凈化、冷凍行業較理想的配套產品。廣泛適用于賓館、飯店、學校、工廠等場所和民用、工業建筑的通風換氣,適用于對噪音要求嚴的環境及空調系統。
1. 產品性能參數
|
型號 |
額定電壓 |
頻率 |
額定電流(A) |
輸入功率 |
速度 |
最大風量 |
電容 |
噪音 |
曲線 |
|
YWFD2E146 |
230 |
50 |
1.2 |
280 |
1400 |
1000 |
8 |
60 |
① |
|
YWFD4E146 |
230 |
50 |
0.46 |
107 |
1020 |
840 |
3.5 |
56 |
② |
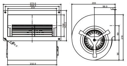
2.技術圖紙

3. 風量和靜壓曲線圖
