

型號:ECF140
Description(簡介):
電機類型:EC
材料:鋁
認證:CCC CE
絕緣等級:B
工作溫度:-20—+50°
Motor Parameters電機參數:
| 型號 Model |
額定電壓 |
輸入功率 |
頻率 |
轉速 |
|
ECF140A230 |
AC 200~270 |
70 |
50/60 |
1800 |
|
ECF140A110 |
AC 100~130 |
70 |
50/60 |
1800 |
Airflow 風量曲線:
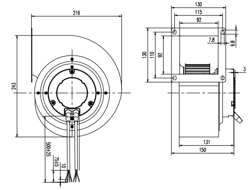
Dimensions 外形尺寸:
