EC軸流風機400mm
產品詳情
1.產品簡介
型號:ECG400A230
電機類型:EC
材料:風輪:PA66 塑料;轉子:鋼板
防護等級:IP44
絕緣等級:F
認證:CCC CE
安裝方式:任意
工作溫度:-20 - +50°
控制方式:0-10V/PWM/RS-485
轉速輸出
電子保護:過壓/堵轉
2.技術參數
| 電壓 | 輸入功率 | 頻率 | 速度 | 輸入電流 | 風量 |
| AC 1~200~270 | 322 | 50/60 | 1700 | 2.32 | 5118 |
| AC 1~100~130 | 322 | 50/60 | 1700 | 4.64 | 5118 |
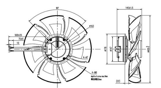
3.外形尺寸圖

4.風量風壓曲線圖

| No. | 頻率 | 電流 | 功率 | 轉速 | 風量 | 靜壓 |
| (Hz) | (A) | (W) | (r/min) | (m3/h) | (Static Pa) | |
| 1 | 50 | 0.37 | 44 | 720 | 759 | 53 |
| 2 | 50 | 0.29 | 33 | 720 | 1592 | 27 |
| 3 | 50 | 0.24 | 27 | 720 | 2193 | 0 |
| 4 | 50 | 1.16 | 151 | 1080 | 555 | 149 |
| 5 | 50 | 0.76 | 95 | 1080 | 2420 | 52 |
| 6 | 50 | 0.61 | 74 | 1080 | 3191 | 0 |
| 7 | 50 | 2.00 | 271 | 1440 | 1501 | 182 |
| 8 | 50 | 1.66 | 221 | 1440 | 3041 | 105 |
| 9 | 50 | 1.54 | 205 | 1440 | 3311 | 78 |
| 10 | 50 | 1.24 | 162 | 1440 | 4129 | 0 |
| 11 | 50 | 1.97 | 270 | 1700 | 2214 | 156 |
| 12 | 50 | 1.88 | 257 | 1700 | 2821 | 134 |
| 13 | 50 | 2.32 | 322 | 1700 | 5118 | 0 |
*輸入電壓 AC 1~220V
上一頁:EC軸流風機350mm
下一頁:EC軸流風機450mm







