外轉子軸流風機YWFJ92-2E-25
產品詳情
1.產品簡介
YWF-J92-2E-25長軸外轉子軸流風機的額定電壓為220V,50Hz的單相電容電機。轉速可達到2800rpm,噪音值卻只有52dB(A)。該產品通過了TUV認證,采用免維護永久潤滑深溝球軸承,電機平均壽命在30000小時以上。該款風機主要作為啤酒機、攪拌機、榨汁機和氣泵等設備的配套部件使用。
獅球外轉子軸流風機的分類、行業應用、結構特點、設計選用說明、風機型號說明、產品認證等信息詳見:外轉子軸流風機YWF系列產品概述
2.技術參數
| 型號 | 額定電壓 | 頻率 | 額定電流 | 輸入功率 | 轉速 | 電容 | 噪音 |
| YWF-J92-2E-25 | 220 | 50 | 0.29 | 60 | 2800 | 2 | 52 |
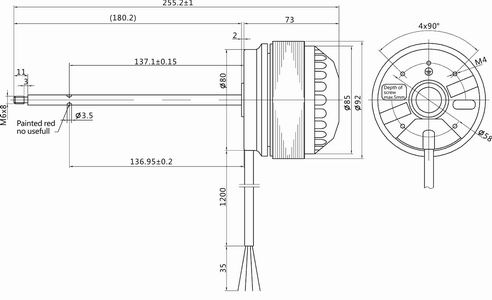
3.外形尺寸圖

上一頁:外轉子軸流風機YWF900
下一頁:塑料風葉高效節能外轉子軸流風機







