

型號:ECG400A230
簡介:
EC 電機類型:EC
材料:
風輪:PA66 塑料
轉子:鋼板
防護等級:IP44
絕緣等級:F
認證:CCC CE
安裝方式:任意
工作溫度:-20 - +50°
控制方式:0-10V/PWM/RS-485
轉速輸出
電子保護:過壓/堵轉
電機參數:
|
電壓 |
輸入功率 |
頻率 |
速度 |
輸入電流 |
風量 |
|
AC 1~200~270 |
322 |
50/60 |
1700 |
2.32 |
5118 |
|
AC 1~100~130 |
322 |
50/60 |
1700 |
4.64 |
5118 |
風量曲線:
|
No. |
頻率 |
電流 |
功率 |
轉速 |
風量 |
靜壓 |
|
(Hz) |
(A) |
(W) |
(r/min) |
(m3/h) |
(Static Pa) |
|
|
1 |
50 |
0.37 |
44 |
720 |
759 |
53 |
|
2 |
50 |
0.29 |
33 |
720 |
1592 |
27 |
|
3 |
50 |
0.24 |
27 |
720 |
2193 |
0 |
|
4 |
50 |
1.16 |
151 |
1080 |
555 |
149 |
|
5 |
50 |
0.76 |
95 |
1080 |
2420 |
52 |
|
6 |
50 |
0.61 |
74 |
1080 |
3191 |
0 |
|
7 |
50 |
2.00 |
271 |
1440 |
1501 |
182 |
|
8 |
50 |
1.66 |
221 |
1440 |
3041 |
105 |
|
9 |
50 |
1.54 |
205 |
1440 |
3311 |
78 |
|
10 |
50 |
1.24 |
162 |
1440 |
4129 |
0 |
|
11 |
50 |
1.97 |
270 |
1700 |
2214 |
156 |
|
12 |
50 |
1.88 |
257 |
1700 |
2821 |
134 |
|
13 |
50 |
2.32 |
322 |
1700 |
5118 |
0 |
*輸入電壓 AC 1~220V
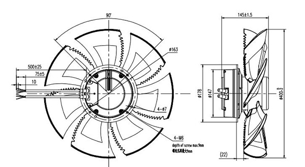
外形尺寸:
