

1. 產品材料:高效外轉子交流電機、PA66增強塑料葉輪、免維護深溝球滾珠軸承、靜電粉末噴塑轉子。
2. 技術特性:7或16塊葉片風輪,IP54或IP44防護等級,B級或F級絕緣等級,S1連續運作模式,可任意安裝,內置過載熱保護,美國UL和歐洲CE產品認證。
3. 產品特點:具有使用壽命長、免維護、高效率、低功耗,高經濟性,設計緊湊,節省空間,美觀,低壓啟動等特點。
4. 產品應用:適用于對噪音要求嚴的環境及空調系統,如與工業制冷系統、新風系統、廚衛風機、消防風機、通信設備散熱器、小型冷凝機組、空氣凈化器、空氣過濾器、屋頂風機、工業設備散熱、冷風機組、模塊機組、空調天花機等設備配套使用。
離心風機的分類、產品應用、風機結構、設計選用說明、風機型號說明、產品認證詳見:YWF系列外轉子離心風機概述。
后傾式離心風機由過載熱保護外轉子電機、高效后傾式圓弧形離心葉輪兩部分組成。葉輪全部采用模具化生產,經精密動平衡機器高速校驗,具有體積小,效率高,風量大,振動小,噪音低,性能優越,安裝調試方便等優點,是空調、凈化、冷凍行業較理想的配套產品。廣泛適用于賓館、飯店、學校、工廠等場所和民用、工業建筑的通風換氣,適用于對噪音要求嚴的環境及空調系統,如與工業制冷系統、廚衛風機、消防風機、通信設備散熱器、小型冷凝機組、空氣凈化器、空氣過濾器、屋頂風機、管道風機、冷風機組、模塊機組、空調天花機等設備配套使用。
1.產品性能參數
|
型號 |
額定電壓 |
頻率 |
額定電流 |
輸入功率 |
轉速 |
最大 |
電容 |
噪音 |
曲線 |
|
YWFB2E180 |
230 |
50/60 |
0.24/0.26 |
56/60 |
2500/2700 |
400/465 |
1.5 |
60/64 |
①② |
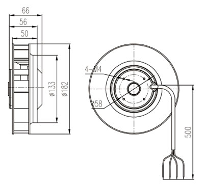
2.技術圖紙

3.風量和靜壓曲線圖
